Dieses Produkt wird abgekündigt. Gerne berät Sie der Verkauf bezüglich letzter Bestellmöglichkeit und Alternativen.
Spezifikationen
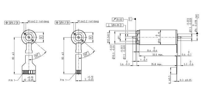
Technische Abbildungen
- Massbild
Hinweis: Zeichnungen nicht massstabsgetreu.
| Werte bei Nennspannung | |
| Nennspannung | 36 V |
| Leerlaufdrehzahl | 26600 min-1 |
| Leerlaufstrom | 38.2 mA |
| Nenndrehzahl | 21700 min-1 |
| Nennmoment (max. Dauerdrehmoment) | 5.38 mNm |
| Nennstrom (max. Dauerbelastungsstrom) | 0.455 A |
| Anhaltemoment | 30.3 mNm |
| Anlaufstrom | 2.38 A |
| Max. Wirkungsgrad | 77 % |
| Kenndaten | |
| Anschlusswiderstand | 15.1 Ω |
| Anschlussinduktivität | 0.308 mH |
| Drehmomentkonstante | 12.7 mNm/A |
| Drehzahlkonstante | 751 min-1/V |
| Kennliniensteigung | 893 min-1/mNm |
| Mechanische Anlaufkonstante | 3.04 ms |
| Rotorträgheitsmoment | 0.325 gcm² |
| Thermische Daten | |
| Therm. Widerstand Gehäuse-Luft | 23.9 K/W |
| Therm. Widerstand Wicklung-Gehäuse | 1.26 K/W |
| Therm. Zeitkonstante der Wicklung | 0.685 s |
| Therm. Zeitkonstante des Motors | 263 s |
| Umgebungstemperatur | -40...+100 °C |
| Max. Wicklungstemperatur | +155 °C |
| Mechanische Daten | |
| Lagerart | Kugellager |
| Grenzdrehzahl | 50000 min-1 |
| Axialspiel | 0 mm, bei Radiallast < 1.8 N |
| 0.05 mm, bei Radiallast > 1.8 N | |
| Max. axiale Belastung (dynamisch) | 1.5 N |
| Max. axiale Aufpresskraft (statisch) | 18 N |
| (statisch, Welle abgestützt) | 250 N |
| Max. radiale Belastung | 4 N, 5 mm ab Flansch |
| Weitere Spezifikationen | |
| Polpaarzahl | 1 |
| Anzahl Phasen | 3 |
| Anzahl Sterilisationszyklen | 0 |
| Produkt | |
| Gewicht | 29 g |
