Details
Planetengetriebe GP 22 L Ø22 mm, 0.2 - 0.6 Nm, Kunststoffversion | Kunststoffversion
Artikelnummer 232810
Dieses Produkt kann nicht mehr bestellt werden. Bitte kontaktieren Sie unseren Verkaufssupport mit dem Anfrage-Formular. Danke
Spezifikationen
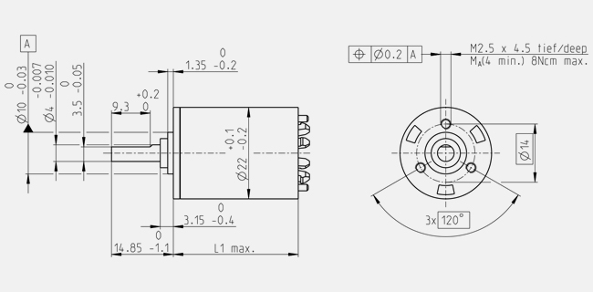
Technische Abbildungen
- Massbild
Hinweis: Zeichnungen nicht massstabsgetreu.
| Allgemeine Daten | |
| Getriebeart | GP |
| Aussendurchmesser | 22 mm |
| Bauart | Kunststoffversion |
| Getriebedaten | |
| Untersetzung | 2102 : 1 |
| Untersetzung absolut | 7105563/3380 |
| Max. Motorwellendurchmesser | 3.2 mm |
| Stufenzahl | 5 |
| Max. Dauerdrehmoment | 0.6 Nm |
| Kurzzeitig zulässiges Drehmoment | 0.8 Nm |
| Drehsinn, Antrieb zu Antrieb | = |
| Max. Wirkungsgrad | 42 % |
| Mittleres Getriebespiel unbelastet | 2 ° |
| Massenträgheitsmoment | 0.4 gcm² |
| Getriebelänge (L1) | 49.9 mm |
| Max. übertragbare Leistung (dauernd) | 0.18 W |
| Max. übertragbare Leistung (kurz) | 0.24 W |
| Technische Daten | |
| Abtriebswellenlagerung | Sinterlager |
| Radialspiel | max. 0.2 mm, 10 mm ab Flansch |
| Axialspiel | 0 - 0.2 mm |
| Max. radiale Belastung | 30 N, 10 mm ab Flansch |
| Max. axiale Belastung (dynamisch) | 20 N |
| Max. axiale Aufpresskraft | 100 N |
| Max. Eingangsdrehzahl dauernd | 6000 min-1 |
| Max. Eingangsdrehzahl kurzzeitig | 6000 min-1 |
| Empfohlener Temperaturbereich | -15...+80 °C |
| Erweiterter Temperaturbereich | 80...+80 °C |
| Anzahl Sterilisationszyklen | 0 |
| Produkt | |
| Gewicht | 59 g |
